0533-3580250
网站首页
关于我们
产品展示
STA系列精密电流互感器
STV系列精密电压互感器
电动机保护专用互感器
零序、漏电测量用互感器
开合式电流互感器
电力电容器专用互感器
新闻中心
企业文化
联系我们
网站首页
关于我们
产品展示
STA系列精密电流互感器
STV系列精密电压互感器
电动机保护专用互感器
零序、漏电测量用互感器
开合式电流互感器
电力电容器专用互感器
新闻中心
企业文化
联系我们
STA系列精密电流互感器
网站首页
产品展示
STA系列精密电流互感器
网站首页
关于我们
产品展示
新闻中心
企业文化
联系我们
搜索
网站导航
网站首页
●
关于我们
●
产品展示
●
新闻中心
●
企业文化
●
联系我们
●
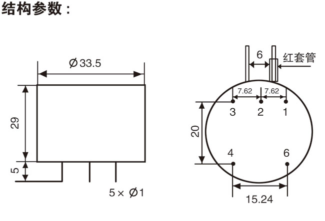
STA622系列精密电流互感器
2010-11-01
上一篇 STA621系列精密电流互感器
下一篇 STA652系列精密电流互感器